WILO Yonos MAXO 80/0,5-12 PN6 Nedvestengelyű keringetőszivattyú 2120658
Cikkszám: 2120658
Leírás
Wilo-Yonos MAXO nagyhatásfokú szivattyú - elektronikusan szabályzottNedvestengelyű keringetőszivattyú, szinkronmotor ECM technológiával és beépített teljesítményszabályozással a fokozatmentes nyomáskülönbség-szabályzáshoz. Az összes fűtési, szellőztetési és klímatechnikai alkalmazásban használható.
Sorozatkivitelben az alábbi összetevőkkel:
• Előválasztható szabályozási módok az optimális terhelésillesztéshez: ?p-c (állandó nyomáskülönbség), ?p-v (változó nyomáskülönbség)
• 3 fordulatszám-fokozat (n = állandó)
• LED-kijelző az alapjel beállításához, és a hibaüzenetek kijelzése
• Villamos csatlakozás a Wilo-dugasszal
• Zavarjelző lámpa és érintkező gyűjtő zavarjelzéshez
Hidraulikai adatok:
• Max. térfogatáram: 64 m3/h
• Max. szállítómagasság: 12,00 m
• Energiahatékonysági index (EEI): 0.20
Termékadatok:
• Maximális üzemi nyomás: 6 bar
• Max. környezeti hőmérséklet: 40 °C
• Min. környezeti hőmérséklet: -20 °C
• Max. közeghőmérséklet: 110 °C
• Min. közeghőmérséklet: -10 °C
Motoradatok:
• Hálózati csatlakozás: 1~230 V ±10%, 50/60 Hz
• Bemenő áram P1 max: 1550 W
• Teljesítményfelvétel (min): 40 W
• Névleges áram: 6,80 A
• Névleges áram: 0,30 A
• Max. fordulatszám: 3300 rpm
• Min. fordulatszám: 900 rpm
• Szigetelési osztály: F
• Védelmi osztály: IPX4D
• Zavarkibocsátás: EN 61800-3;2004+A1;2012 / lakókörnyezet (C1)
• Zavartűrés: EN 61800-3;2004+A1;2012 / ipari környezet (C2)
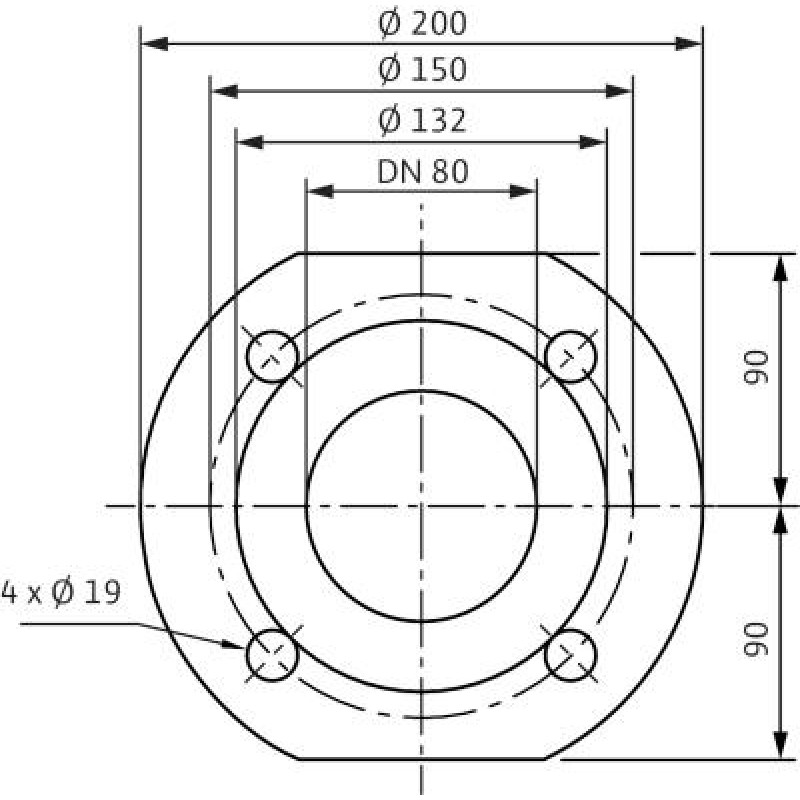
Telepítési méretek:
• Nyomóoldali csőcsatlakozás: DN 80
• Szívóoldali csőcsatlakozás: DN 80
• Beépítési hossz: 360 mm
Törekszünk a webáruházban megtalálható információk, termékleírások pontos és hiteles közlésére, olykor azonban ezek önhibánkon kívül tartalmazhatnak téves információkat. A képek csak tájékoztató jellegűek.
Dokumentumok
- Um nach Deutschland zu versenden, besuchen Sie 21906
- Pre odoslanie na Slovensko navštívte WILO Yonos MAXO 80/0,5-12 PN6 Obehové čerpadlo 2120658
- Aby wysłać do Polski odwiedź WILO Yonos MAXO 80/0,5-12 PN6 Bezdławnicowa pompa obiegowa 2120658
- Pro odeslání do Česka navštivte WILO Yonos MAXO 80/0,5-12 PN6 Oběhové čerpadlo 2120658
- Um nach Österreich zu versenden, besuchen Sie 21430
Beszélgessünk róla! Értékelések (0)
Értékelés írása
Termék értékelése: Rossz Kitűnő
Másolja be a lenti kódot:



















