WILO Economy MHI 403 többfokozatú szivattyú 4024295
Cikkszám: 4024295
Leírás
Többfokozatú, normál szívású, vízszintes, nagynyomású centrifugálszivattyú blokk-kivitelben vízszintes szívó- és függőleges nyomócsonkkal.Ez a kompakt kivitelű szivattyú megszakítás nélküli motor-szivattyútengellyel és forgásiránytól független csúszógyűrűs tömítéssel rendelkezik.
A szivattyú alkalmas vízellátás és nyomásfokozás céljára, valamint ipari keringető rendszerekben, technológiai víz és hűtővíz körfolyamatokban történő használatra. Alkalmazható továbbá autómosókban, valamint öntözési célokra.
Speciális jellemzők/alkalmazási előnyök:
• Helytakarékos, kompakt blokk-kivitel
• A közeggel érintkező valamennyi hidraulika-rész – pl. a fokozatkamrák, járókerekek, vezetőkerekek és a szivattyúház – nemesacélból készült
• Ivóvíz engedély (KTW/WRAS ) minden közeggel érintkező rész számára (EPDM kivitel)
Szállítási terjedelem:
• Többfokozatú nagynyomású centrifugálszivattyú, Wilo-Economy MHI
• Beépítési és üzemeltetési utasítás
Méretezési megjegyzések
• A motorvédelem a háromfázisú motorhoz opcionális, vagy az építtető által biztosítandó
• Az egyfázisú motor beépített termikus motorvédelemmel és kondenzátorral van felszerelve
Szerkezeti anyagok:
• Szivattyúház: 1.4301, X5CrNi18-10
• Járókerék: 1.4301, X5CrNi18-10
• Csúszógyűrűs tömítés: BQ1E3GG
Üzemi adatok:
• Min. közeghőmérséklet: -15 °C
• Max. közeghőmérséklet: 110 °C
• Maximális üzemi nyomás: 10 bar
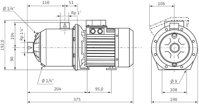
• Nyomócsonk: Rp 1
• Max. környezeti hőmérséklet: 40 °C
Motoradatok:
• Hálózati csatlakozás: 3~400 V, 50 Hz
• Bekapcsolási mód: Közvetlen online (DOL)
• Névleges áram: 3.00 A
• Motorhatásfok ?m 50 %: 59
• Motorhatásfok ?m 75 %: 64.3
• Motorhatásfok ?m 100 %: 64.6
• Teljesítménytényező. 0.77
• Védelmi osztály: IP54
Telepítési méretek:
• Szívóoldali csőcsatlakozás: Rp 1 1/4
• Nyomóoldali csőcsatlakozás: Rp 1
Törekszünk a webáruházban megtalálható információk, termékleírások pontos és hiteles közlésére, olykor azonban ezek önhibánkon kívül tartalmazhatnak téves információkat. A képek csak tájékoztató jellegűek.
Dokumentumok
- Um nach Deutschland zu versenden, besuchen Sie WILO Economy MHI 403 Normalsaugende mehrstufige Pumpe 4024295
- Pre odoslanie na Slovensko navštívte WILO MHI 403 DM 1.4301 vysokotlakové horizontálne čerpadlo 4024295
- Aby wysłać do Polski odwiedź WILO MHI 403 DM 1.4301 Normalnie zasysająca pompa wielostopniowa 4024295
- Pro odeslání do Česka navštivte WILO MHI 403 DM 1.4301 vysokotlaké horizontální čerpadlo 4024295
- Um nach Österreich zu versenden, besuchen Sie WILO Economy MHI 403 Normalsaugende mehrstufige Pumpe 4024295
Beszélgessünk róla! Értékelések (0)
Értékelés írása
Termék értékelése: Rossz Kitűnő
Másolja be a lenti kódot:




















