WILO TOP-Z 40/7 DM PN6/10 GG cirkulációs szivattyú 2175515
Cikkszám: 2175516
Leírás
Ez a cirkulációs szivattyú csak ivóvízhez használható.Alkalmazható ivóvíz-keringető rendszerekhez az iparban és az épülettechnikában.
Karbantartást nem igénylő, menetes vagy karimás csatlakozású nedvestengelyű keringetőszivattyú, előválasztható fordulatszám-fokozatok a teljesítmény illesztéséhez.
Felszereltség és funkció:
• Kézi teljesítményillesztés 3 fordulatszám-fokozattal
• Egyfázisú motorral szerelt szivattyúk:
• P2 90W-ig: Belső védelem a túlságosan magas tekercshőmérséklettel szemben
• P2 = 180 W: Teljes motorvédelem külső kioldó eszközökhöz kapcsolódó tekercsvédő érintkezővel
• Háromfázisú motorral szerelt szivattyúk:
• P2 90W-ig: Belső védelem a túlságosan magas tekercshőmérséklettel szemben
• P2 ? 180 W: Teljes motorvédelem beépített kioldó elektronikával
• Zavarjelző lámpa
• Érintkező gyűjtő zavarjelzéshez
• Forgásirány-ellenőrző lámpa
• Háromfázisú 230V-os hálózati csatlakozás, opcionális fordulatszámváltó dugasszal
• Vörösöntvény vagy szürkeöntvény szivattyúház (nemesacél típusfüggő)
• PN 6/PN 10 kombikarima (DN 40 – DN 65 esetén)
• Hőszigetelő burkolatok
• Kiegészítő funkciók az utólagosan felszerelhető Protect-modul C-vel:
• Gyűjtő zavarjelzés (SSM) feszültségmentes nyitó érintkezőként
• Gyűjtő üzemjelzés (SBM) feszültségmentes záró érintkezőként
• „Távoli kikapcsolás“ vezérlőbemenet külső, feszültségmentes érintkezővel (nyitó)
• Blokkolási áram felismerése
• Teljes motorvédelem, kioldó készülékkel
• Üzemzavar nyugtázása
• Ikerszivattyú vezérlés (két egyes szivattyú párhuzamosan telepítése esetén): Fő-/tartalékszivattyús üzem (automatikus zavareseti átkapcsolás/ időfüggő szivattyúváltás)
Hidraulikai adatok:
• Max. térfogatáram: 16,3
• Max. szállítómagasság: 5,9
Termékadatok:
• Maximális üzemi nyomás: 10 bar
• Max. közeghőmérséklet: 110 °C
• Min. közeghőmérséklet: -20 °C
• Max. környezeti hőmérséklet: 40 °C
• Max. megengedett összkeménység használati melegvíz cirkulációs rendszerekben: 3,57 mmol/l (20 °dH) (3,21 mmol/l (18 °dH) - 20/4 + 25/6)
Motoradatok:
• Hálózati csatlakozás: 3~230 V, 3~400 V, 50 Hz
• Zavarkibocsátás: EN 61000-6-3
• Zavartűrés: EN 61000-6-2
• Teljesítményfelvétel (min): 120 W
• Bemenő áram P1 max: 320 W
• Névleges teljesítmény P2: 180 W
• Névleges áram: 0,70 A
• Védelmi osztály: IPX4D
• Motorvédelem: opcionális kioldó készülék SK 602N/622N
• Szigetelési osztály: H
• Max. fordulatszám: 2800 rpm
• Kábelcsavarzat: 2 x PG13.5
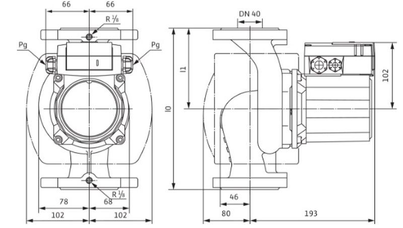
Telepítési méretek:
• Szívóoldali csőcsatlakozás: DN 40
• Nyomóoldali csőcsatlakozás: DN 40
• Konstrukční délka: 250 mm
Szerkezeti anyagok
• Tengely: 1.4122, X39CrMo17-1
• Szivattyúház: Red brass
• Járókerék: PPE-GF30
• Anyagraktár: Carbon, synthetic resin impregnated
Törekszünk a webáruházban megtalálható információk, termékleírások pontos és hiteles közlésére, olykor azonban ezek önhibánkon kívül tartalmazhatnak téves információkat. A képek csak tájékoztató jellegűek.
Dokumentumok
- Um nach Österreich zu versenden, besuchen Sie WILO TOP-Z 40/7 DM PN6/10 RG Zirkulationspumpe 2175516
- Um nach Deutschland zu versenden, besuchen Sie WILO TOP-Z 40/7 DM PN6/10 RG Zirkulationspumpe 2175516
- Pro odeslání do Česka navštivte WILO TOP-Z 40/7 DM PN6/10 RG Cirkulační čerpadlo 2175516
- Aby wysłać do Polski odwiedź WILO TOP-Z 40/7 DM PN6/10 RG Bezdławnicowa pompa cyrkulacyjna 2175516
- Pre odoslanie na Slovensko navštívte WILO TOP-Z 40/7 DM PN6/10 RG Cirkulačné čerpadlo 2175516
Beszélgessünk róla! Értékelések (0)
Értékelés írása
Termék értékelése: Rossz Kitűnő
Másolja be a lenti kódot:


















