Wilo Jet HWJ-203-EM-50/2-2 – önfelszívó házi vízmű 50 l 4265554
334 500 Ft
Raktáron 2 db
Szállítási információk
- GLS XXL: 7 390 Ft várható kézbesítés 03.18. - 03.20.
- SPS: 1 560 Ft
Gondosan kiválasztott tartozékok
Leírás
Wilo Jet HWJ-203-EM-50/2-2 – önfelszívó házi vízmű 50 l 4265554
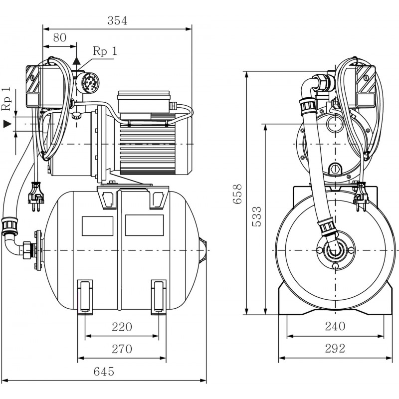
A Wilo Jet HWJ-203-EM-50/2-2 házi vízmű nagy teljesítményű, megbízható megoldás otthonok és kertek vízellátására. Az önfelszívó Jet szivattyú egyenletes víznyomást biztosít, miközben energiatakarékos és hosszú élettartamú.
A rendszer része egy 50 literes EPDM membrános tartály, manométer, nyomáskapcsoló és előre összeszerelt vezérlőmodul. A vízzel érintkező elemek korrózióállóak. A vízmű 2 méteres kábellel és dugvillával érkezik, így egyszerűen telepíthető.
A Wilo Jet HWJ-203-EM-50/2-2 előnyei
- Önfelszívó Jet szivattyú stabil működéssel.
- 50 literes EPDM membrános tartály hosszú élettartammal.
- Manométer és nyomáskapcsoló tartozék.
- Hővédelem és szárazonfutás elleni védelem.
- Korrózióálló alkatrészek.
- Egyszerű telepítés előre szerelt egységként.
Műszaki adatok
- Hálózati csatlakozás: 1~230 V, 50 Hz
- Maximális szívómélység: 8 m
- Bemeneti nyomás max.: 1 bar
- Bekapcsolási nyomás: 1,5 bar
- Kikapcsolási nyomás: állítható
- Közeg hőmérséklete: +5 °C – +35 °C
- Maximális üzemi nyomás: 6 bar
- Védettség: IP44
- Nyomócsatlakozás: Rp 1
- Szívócsatlakozás: G 1
Motor adatai
- EMC megfelelőség EN 61000-6-1, -2, -3, -4
- Névleges áram IN 4,9 A
- Teljesítménytényező cos ?100 0,98
- Fordulatszám 2900 1/min
- Hálózati csatlakozás 1~230 V, 50 Hz
- Szigetelési osztály B
- Névleges teljesítmény P2 0,75 kW
Szállítási tartalom
- Wilo HWJ-203-EM-50/2-2 házi vízmű
- Nyomáskapcsoló
- Manométer
- 50 l membrános tartály
- Acélbetétes nyomótömlő
- Használati és szerelési útmutató
Törekszünk a webáruházban megtalálható információk, termékleírások pontos és hiteles közlésére, olykor azonban ezek önhibánkon kívül tartalmazhatnak téves információkat. A képek csak tájékoztató jellegűek.
Műszaki adatok
| Részletezés | |
| Csatlakozó (szívó) | 1" x 1/2" |
| Csatlakozó (nyomó) | 1" x 1/2" |
| Tartály térfogata | 50 l |
| Tápfeszültség | 1~230 V, 50 Hz |
| IP védelem | IP 44 |
| Szívómagasság | 8 m |
| Szállítási magasság | 42 m |
| Max. folyadékszállítás | 5 m3/h |
- Um nach Österreich zu versenden, besuchen Sie WILO HWJ 203 EM 50l selbstansaugende Haushaltswasserstation 2549383
- Um nach Deutschland zu versenden, besuchen Sie WILO HWJ 203 EM 50l selbstansaugende Haushaltswasserstation 2549383
- Pro odeslání do Česka navštivte WILO HWJ 203 EM 50l domácí samonasávací vodárna 4265554
- Pour l’expédition en France, visitez WILO HWJ 203 EM 50l Surpresseur domestique 2549383
- Pre odoslanie na Slovensko navštívte WILO HWJ 203 EM 50l samonasávacie domáca vodáreň 4265554
Beszélgessünk róla! Értékelések (0)
Értékelés írása
Termék értékelése: Rossz Kitűnő
Másolja be a lenti kódot:






-80x80.png)





















