WILO Stratos 32/1-10 PN16 keringetőszivattyú, 220 mm 2110124
Cikkszám: 2110124
Leírás
Wilo-Stratos nagyhatásfokú szivattyú - elektronikusan szabályzottA legalacsonyabb üzemeltetési költségű nedvestengelyű keringetőszivattyú, csőbe történő beszereléshez. Minden fűtési, szellőztetési és klímaalkalmazáshoz használható (-10 °C-tól +110 °C-ig). Beépített elektronikus teljesítményszabályozással az állandó/változó nyomáskülönbséghez. Hőszigetelő burkolat sorozatkivitelben.
Sorozatkivitelben egygombos kézi kezelőfelület az alábbi funkciókhoz:
• Szivattyú BE/KI
• Szabályzási mód kiválasztása:
• dp-c (állandó nyomáskülönbség)
• dp-v (változó nyomáskülönbség)
• dp-T (hőmérséklet függvényében vezérelt nyomáskülönbség) IR-monitor/-pendrive, Modbus, BACnet, LON vagy Can révén
• A maximális térfogatáram korlátozására szolgáló Q-Limit funkció (csak az IR-pendrive-ról állítható be)
• Állító üzemmód (állandó fordulatszám beállítása)
• Automatikus csökkentett üzem („Autopilot”)
• Alapjel, ill. fordulatszám beállítása
Grafikus szivattyúkijelző elforgatható képernyővel vízszintes vagy függőleges modulelrendezéshez, az alábbiak kijelzésére:
• Üzemállapot
• Szabályozási mód
• Nyomáskülönbség-, ill. fordulatszám-alapjel
• Hibaüzenetek és figyelmeztetések
• A legmagasabb hatásfokú, nagy indítónyomatékkal, automatikus blokkolás-mentesítő funkcióval és beépített teljes motorvédelemmel rendelkező, ECM-technológia szerinti szinkronmotor.
Zavarjelző lámpa, feszültségmentes gyűjtő zavarjelzés, infravörös interfész a Wilo-IR-monitor/-pendrive kezelő- és szervizkészülékkel folytatott vezeték nélküli kommunikációhoz.
Wilo Stratos IF-modul csatlakozóhely GA épületautomatizáláshoz, ill. ikerszivattyú vezérléshez (választható opciók: Stratos Modbus, BACnet, LON, CAN, PLR, Ext.Off, Ext.Min, SBM, Ext.Off/SBM vagy DP IF-modul).
Katódos bemerítéses lakkozású, szürkeöntvény szivattyúház, üvegszálerősítésű műanyag járókerék, nemesacél tengely fém impregnált műszén siklócsapágyakkal.,
Hidraulikai adatok:
• Max. térfogatáram: 11,5 m3/h
• Max. szállítómagasság: 10,00 m
• Energiahatékonysági index (EEI): 0.20
Termékadatok:
• Maximális üzemi nyomás: 16 bar
• Max. környezeti hőmérséklet: 40 °C
• Min. környezeti hőmérséklet: -10 °C
• Max. közeghőmérséklet: 110 °C
• Min. közeghőmérséklet: -10 °C
Motoradatok:
• Hálózati csatlakozás: 1~230 V ±10%, 50/60 Hz
• Bemenő áram P1 max: 310 W
• Teljesítményfelvétel (min): 12 W
• Névleges áram: 1,37 A
• Névleges áram: 0,22 A
• Max. fordulatszám: 4800 rpm
• Min. fordulatszám: 1400 rpm
• Szigetelési osztály: F
• Védelmi osztály: IPX4D
• Zavarkibocsátás: EN 61800-3;2004+A1;2012 / lakókörnyezet (C1)
• Zavartűrés: EN 61800-3;2004+A1;2012 / ipari környezet (C2)
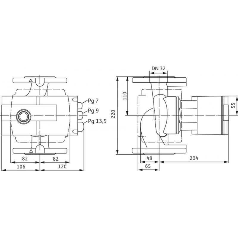
Telepítési méretek:
• Nyomóoldali csőcsatlakozás: DN 32
• Szívóoldali csőcsatlakozás: DN 32
• Beépítési hossz: 220 mm
Szerkezeti anyagok:
• Anyagraktár: Carbon, metal impregnated
• Járókerék: PPE-GF30
• Szivattyúház: 5.1301, EN-GJL-250
• Tengely: 1.4122, X39CrMo17-1
Törekszünk a webáruházban megtalálható információk, termékleírások pontos és hiteles közlésére, olykor azonban ezek önhibánkon kívül tartalmazhatnak téves információkat. A képek csak tájékoztató jellegűek.
Dokumentumok
- Um nach Deutschland zu versenden, besuchen Sie WILO Stratos 32/1-10 PN16 Umwälzpumpe 220 mm 2110124
- Um nach Österreich zu versenden, besuchen Sie WILO Stratos 32/1-10 PN16 Umwälzpumpe 220 mm 2110124
- Pro odeslání do Česka navštivte WILO Stratos 32/1-10 PN16, 220 mm oběhové čerpadlo 2110124
- Aby wysłać do Polski odwiedź WILO Stratos 32/1-10 PN16, 220 mm pompa obiegowa 2110124
- Pre odoslanie na Slovensko navštívte WILO Stratos 32/1-10 PN16, 220 mm oběhové čerpadlo 2110124
Beszélgessünk róla! Értékelések (0)
Értékelés írása
Termék értékelése: Rossz Kitűnő
Másolja be a lenti kódot:



















