Geberit Duofix fali WC szerelőelem, 98 cm, falsík alatti öblítőtartállyal 111.030.00.1
Leírás
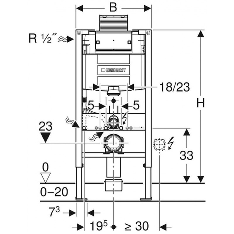
Geberit Duofix fali WC szerelőelem, 98 cm, Omega 12 cm-es falsík alatti öblítőtartállyal
Műszaki adatok:
• Víznyomás 0.1-10 bar
• Maximális vízhőmérséklet 25 °C
• Öblítővíz-mennyiség gyári beállítása 6 és 3 l
• Nagy öblítővíz-mennyiség beállítási tartománya 4 / 4.5 / 6 / 7.5 l
• Kis öblítővíz-mennyiség beállítási tartománya 2-4 l
• Mértékadó térfogatáram 0.11 l/s
• Mértékadó térfogatáramra vonatkozó minimális folyási nyomás 0.5 bar
Szállítási terjedelem:
• Vízcsatlakozás R 1/2”, MF kompatibilis, beépített sarokszeleppel és kézikerékkel
• Csempézősablon
• Csatlakozókészlet WC-hez, o 90 mm
• 90°-os PE-HD csatlakozókönyök, o 90 mm
• PE-HD adapter, o 90/110 mm
• 2 törmelék elleni védődugó
• 2 db M12-es menetes szár
• Rögzítőanyag
Alkalmazási célok:
• Szárazépítéshez
• Parapet magasságú Geberit Duofix rendszerfalakba történő beépítéshez
• EN 33:2011 szerinti csatlakozóméretű fali WC-khez
• Max. 62 cm hosszú WC-khez
• 0–20 cm vastag padlószerkezetekhez
Tulajdonságok:
• Porszórt önhordó keret
• A szerelőelem 9 mm-es furatokkal van ellátva faszerkezethez történő rögzítéshez
• Horganyzott láb
• 0–20 cm között állítható lábazat
• Pozíciómegtartó lábrögzítés
• Forgatható rögzítő talpak
• A csatlakozókönyök szerszám nélkül felszerelhető különböző mélységekben, állíthatósági tartomány 45 mm
• A csatlakozókönyök rögzítése hangszigetelt
• Felülről vagy elölről működtethető falsík alatti öblítőtartály
• Páralecsapódás ellen szigetelt, falsík alatti öblítőtartály
• Gyári beállítás esetén azonnali utánöblítés lehetséges
• A falsík alatti öblítőtartályon a szerelési és szerviz munkálatok szerszám nélkül elvégezhetők
• Vízcsatlakozás bal oldalt oldalról vagy hátulról
• A szerviznyílás építési törmelék elleni védőfedele véd a nedvessétől és a szennyeződéstől
• A csempézősablon méretre vágható
• Geberit AquaClean higiéniai berendezés vízcsatlakozásához védőcsővel felszerelve
• Rögzítési lehetőség elektromos csatlakozás számára
Törekszünk a webáruházban megtalálható információk, termékleírások pontos és hiteles közlésére, olykor azonban ezek önhibánkon kívül tartalmazhatnak téves információkat. A képek csak tájékoztató jellegűek.
- Um nach Österreich zu versenden, besuchen Sie Geberit Duofix Element für Wand-WC, 98 cm, mit UP-Spülkasten 111.030.00.1
- Um nach Deutschland zu versenden, besuchen Sie Geberit Duofix Element für Wand-WC, 98 cm, mit UP-Spülkasten 111.030.00.1
- Pro odeslání do Česka navštivte Geberit Duofix montážní prvek pro závěsné WC, 98 cm, s nádržkou 111.030.00.1
- Aby wysłać do Polski odwiedź Geberit Duofix Element montażowy do wiszących misek WC, 98 cm, do poręczy 111.030.00.1
- Pre odoslanie na Slovensko navštívte Geberit Duofix montážny prvok pre závesné WC, 98 cm, s nádržkou 111.030.00.1
Beszélgessünk róla! Értékelések (0)
Értékelés írása
Termék értékelése: Rossz Kitűnő
Másolja be a lenti kódot:

